FANUC系統技術交流群(微信群)
一、群主介紹 (1)共享屋網站創始人
(2)從事數控機床電氣調試與設計工作10多年,擅長FANUC 西門子系統調試、PMC程序編寫、參數調試、FANUC二次開發等,可以解決系統功能開發方面的技術支持。
(3)在互聯網上教學FANUC PMC,提高機床電氣維修技能,FANUC PMC基礎學習班招生說明: 點擊進入
(4)如果你需要購買FANUC調試方面的資料,可以進入共享屋數控機床電氣資料自動發貨商店進行購買: 點擊進入
FANUC系統電氣入門學習交流群是一個學習FANUC系統技術的微信群,現在改名叫做共享屋小紅圈,在該群為大家分享有關FNAUC系統方面的知識,幫助大家解決日常的維修問題,希望大家在新的一年都可以通過本群學習更多的知識,能夠解決工作中的問題。
三、群公告 1、為了保證群內存留有價值的信息,禁止討論與FANUC系統無關的話題,一經發現,立即清理。
2、群是大家溝通交流的平臺,大家可以在群內相互交流,相互幫助,共同發展,共同進步。
3、對于問問題人員,需要及時反饋問題處理的結果,對于不反饋的,會被清理出群。
4、為了保持群持續活躍, 每個月對長期潛水者進行處理。
5、我會對大家遇到的有參考意義的問題進行整理,方便后續查找。
6、群名稱更改為 (數字)名稱+職業+地點
7、本群禁止一切廣告。
8、群中大家的問題,我會定期整理在小紅圈APP中,方便后期的搜索與查閱。
四、2021/2/19整理 1、 FANUC系統全數據備份功能
2、 FANUC 系統ALM129報警案例
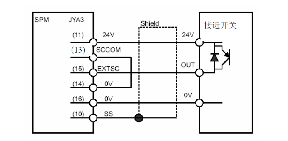
五、2021/2/21整理 問:法那科,立加主軸定位開關信號一般能在哪個地方能查得到閃斷?有這個嗎?能不能一碰到就會有信號的那種?
答:立加主軸定向開關是直接接到FANUC系統主軸放大器中,如下圖一種接線方式。所以對于接近開關信號并不能像PMC信號那樣可以直觀診斷好壞,一般按照如下步驟進行診斷 問題故障:

(1)手動轉動主軸,觀察接近開關是否有會點亮,如果不亮,接近開關肯定出現問題了,可以檢查接線、開關,通過更換接近開關判斷問題。
(2)有時候接近開關會正常點亮,不能夠定向,還應該考慮主軸放大器側板方面的問題。
(3)對于0I-F系統新版本可以通過診斷號來診斷一轉信號好壞,大家可以參考如下文章: 0I-F主軸一轉信號診斷功能
(4) 以上是針對正常機床出現定向問題排查方向,當然如果是新機調試,還應該考慮主軸定向參數與實際傳動比是否匹配等問題。
六、2021/2/22整理 (1)如下圖所示,急停閃爍如何解決?

解決問題: 共享屋:FANUC機床急停故障的分析和維修方法
(2)維修的時候,機床出現如下所示,被加密,看不到梯形圖怎么辦?

求人不如求己,趕快下載一個PMC破解軟件進行密碼破解吧, FANUC系統 PMC密碼破解工具介紹
七、2021/02/23整理 1、如何學習FANUC數控系統維修技術?
(1) 系統出現如下報警,該如何解決?


解決方法: FANUC系統 SV401 報警解決方法
八、2021/02/24整理 學習內容:
2、如何才能夠獲得自己所需要的信息

從系統上傳的PMC程序編譯的時候出現如上報警,問題原因PMC廠家增加保護,具體保護步驟參見如下文章: 如何利用FANUC 系統FB功能保護廠家的PMC程序
九、2021/02/25整理 學習內容: 學習FANUC必備的思維方法
(1)這個r551.0是開機的一瞬間產生的瞬間脈沖嗎?

答:R9091.1為常1信號 SUB57為上升沿信號,R551.0為開機脈沖,開機只有一個周期為1.
(2)有常用的F G信號地址表么?


FANUC PMC F信號地址表查詢

19小時前 0 3770 2


FANUC PMC G信號地址表查詢

簡體中文
English
Russian

