




全國服務熱線
產品編號:VFD-ED
臺達電梯專用變頻器VFD-ED 系列,以多年變頻器設計的經驗,加上自2007年推出電梯專用變頻器VL系列后不斷累積的電梯行業(yè)知識,在確保原有安全第一的原則上,更著重提升了運行效率及舒適度。





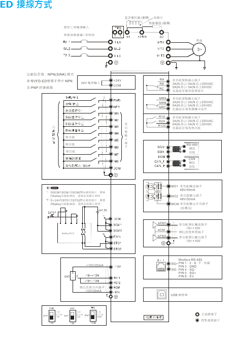
結構設計緊湊,縮小電梯控制柜體積
框號 | 230 V B C D E | |||||||||||
型號 VFD-_ _ _ED23 / 21S | 022* | 037* | 40 | 55 | 75 | 110 | 150 | 185 | 220 | 300 | 370 | |
適用馬達功率 (KW) | 2.2 | 3.7 | 4 | 5.5 | 7.5 | 11 | 15 | 18.5 | 22 | 30 | 37 | |
適用馬達功率 (HP) | 3 | 5 | 5 | 7.5 | 10 | 15 | 20 | 25 | 30 | 40 | 50 | |
輸
出 | 額定輸出容量 (KVA) | 4.8 | 6.8 | 7.9 | 9.5 | 12.5 | 19 | 25 | 29 | 34 | 46 | 55 |
額定輸出電流 (A) | 12 | 17 | 20 | 24 | 30 | 45 | 58 | 77 | 87 | 132 | 161 | |
最大輸出電壓 (V) | 對應實際輸入電壓 | |||||||||||
輸出頻率範圍 (Hz) | 0.00 ~ 400 | |||||||||||
載波頻率範圍 (kHz) | 2 ~ 15 | 2 ~ 9 | ||||||||||
額定輸出最高載波頻率 (kHz) | 8 | 10 | 8 | 6 | ||||||||
輸
入 | 輸入電流 (A) | 24 | 34 | 20 | 23 | 30 | 47 | 56 | 73 | 90 | 132 | 161 |
額定電壓 (V) | 單相 | 三相 | ||||||||||
200 ~ 240 | ||||||||||||
額定頻率 (Hz) | 50 / 60 | |||||||||||
容許電源電壓變動 (V) | ±10% (180 ~ 264) | |||||||||||
容許電源頻率變動 (Hz) | ±5% (47 ~ 63) | |||||||||||
冷卻方式 | 強制冷風 | |||||||||||
重量 | 6 | 6 | 6 | 8 | 10 | 10 | 13 | 13 | 13 | 36 | 36 | |
* 代表 VFD022ED21S 及 VFD037ED21S 為單向機種。
框號 | 460 V B C D E | ||||||||||||
型 號 VFD-_ _ _ED43S | 40 | 55 | 75 | 110 | 150 | 185 | 220 | 300 | 370 | 450 | 550 | 750 | |
適用馬達功率 (KW) | 4 | 5.5 | 7.5 | 11 | 15 | 18.5 | 22 | 30 | 37 | 45 | 55 | 75 | |
適用馬達功率 (HP) | 5 | 7.5 | 10 | 15 | 20 | 25 | 30 | 40 | 50 | 60 | 75 | 100 | |
輸
出 | 額定輸出容量 (KVA) | 9.2 | 10.4 | 13.5 | 18.3 | 24 | 30.3 | 36 | 46.2 | 63.7 | 80 | 96.4 | 116.3 |
額定輸出電流 (A) | 11.5 | 13 | 17 | 23 | 30 | 38 | 45 | 58 | 80 | 100 | 128 | 165 | |
最大輸出電壓 (V) | 對應實際輸入電壓 | ||||||||||||
輸出頻率範圍 (Hz) | 0.00 ~ 400 | ||||||||||||
載波頻率範圍 (kHz) | 2 ~ 15 | 2 ~ 9 | 2 ~ 6 | ||||||||||
額定輸出最高載波頻率 (kHz) | 8 | 10 | 8 | 6 | |||||||||
輸
入 | 輸入電流 (A) | 11.5 | 14 | 17 | 24 | 30 | 37 | 47 | 58 | 80 | 100 | 128 | 165 |
額定電壓 (V) | 三相電源 380 ~ 480 | ||||||||||||
額定頻率 (Hz) | 50 / 60 | ||||||||||||
容許電源電壓變動 (V) | ±10 % (342 ~ 528) | ||||||||||||
容許電源頻率變動 (Hz) | ± 5 % (47 ~ 63) | ||||||||||||
冷卻方式 | 強制冷風 | ||||||||||||
重量 (kg) | 6 | 8 | 10 | 10 | 10 | 10 | 13 | 14.5 | 36 | 36 | 50 | 50 | |
上表輸入 / 輸出電流會受系統(tǒng)實際裝置的輸入電抗器、變壓器、線材連接、電源阻抗等因素影響而有所變動。